ProductsTerminals

Solderless Terminals・Solderless Splices

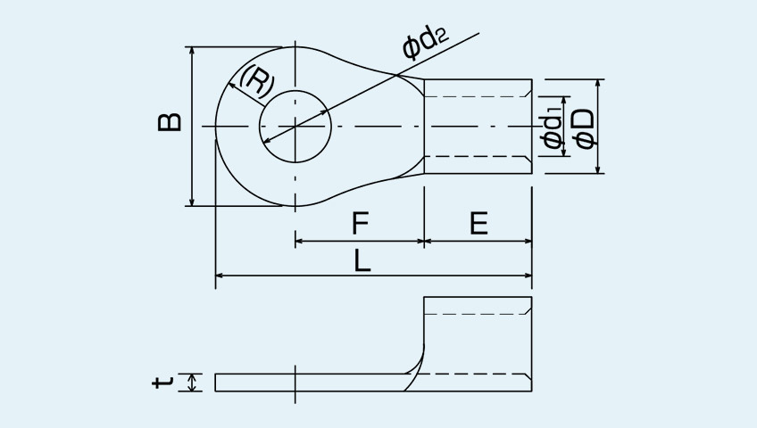
High Temperature Terminals (NHR)

型番別一覧

Contact Us

If you have any questions regarding our products, please contact us for more information.

+81-6-4391-2770

Monday to Friday 9:00~17:00